RCT-003-DC精密电流互感器
RCT-003-DC,体积小,精度高,一致性好,用于电能表,仪器,仪表等测试。
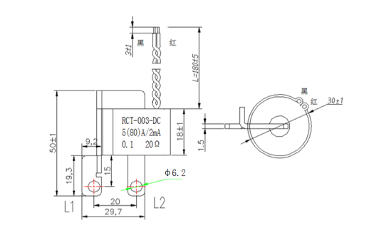
一.原理图

二.主要技术参数
|
产品型号 |
RCT-003-DC |
|
额定频率 |
50Hz |
|
规定工作温度 |
-40℃~85℃ |
|
相对湿度 |
95% |
|
额定一次电流Ib |
5A |
|
最大电流 |
80A |
|
额定二次电流 |
2mA |
|
额定电流比 |
2500:1 |
|
精度等级 |
0.1 |
|
额定负荷 |
20Ω |
|
交流耐压 |
一次绕组与二次绕组间工频耐压4.0KV/min.无击穿,飞弧现象,漏电流<0.5mA |
|
绝缘电阻 |
一次绕组与二次绕组之间的绝缘电阻≥1000MΩ/500Vdc |
|
抗直流分量影响量 |
80/√2时,直流误差 3%以内 |
|
外观 |
灌封黑色环氧树脂 |
二.外观图

图片 |
型号 | 说明 | 查看 | |
|---|---|---|---|---|
![]() |
RCT-080-K36开口电流互感器 | RCT-080,使用方便,精度高,一致性好,用于电能表,仪器 | 详细 | |
![]() |
RCT-079-K24开口电流互感器 | RCT-079,使用方便,精度高,一致性好,用于电能表,仪器 | 详细 | |
![]() |
RCT-078精密电流互感器 | RCT-078,量程范围大,精度高,一致性好,用于电能表,仪 | 详细 | |
![]() |
RCT-077-K16开口电流互感器 | RCT-077,使用方便,精度高,一致性好,用于电能表,仪器 | 详细 | |
![]() |
RPT-076精密电流互感器 | RPT-076,体积小,精度高,一致性好,用于电能表,仪器, | 详细 | |
![]() |
RCT-075-DC精密电流互感器 | RCT-075-DC,体积小,精度高,一致性好,用于电能表, | 详细 | |
![]() |
RCT-053-DC精密电流互感器 | RCT-053-DC,体积小,精度高,一致性好,用于电能表, | 详细 | |
![]() |
RCT-051精密电流互感器 | RCT-051,体积小,精度高,一致性好,用于电能表,仪器, | 详细 | |
![]() |
RCT-039-DC精密电流互感器 | RCT-039-DC,体积小,精度高,一致性好,用于电能表, | 详细 | |
![]() |
RCT-005精密电流互感器 | RCT-005,体积小,精度高,一致性好,用于电能表,仪器, | 详细 |